网站首页
公司介绍
企业介绍
组织架构
企业荣誉
领导关怀
新闻动态
公司新闻
政策要闻
党建工作
组织架构
党建阵地
党群活动
工青妇
荣誉鼓励
信息公开
水质检测报告
环境信息公开
职位招聘
通知公告
乐竞(中国)一站式体育服务
电话地址
意见箱
总经理信箱
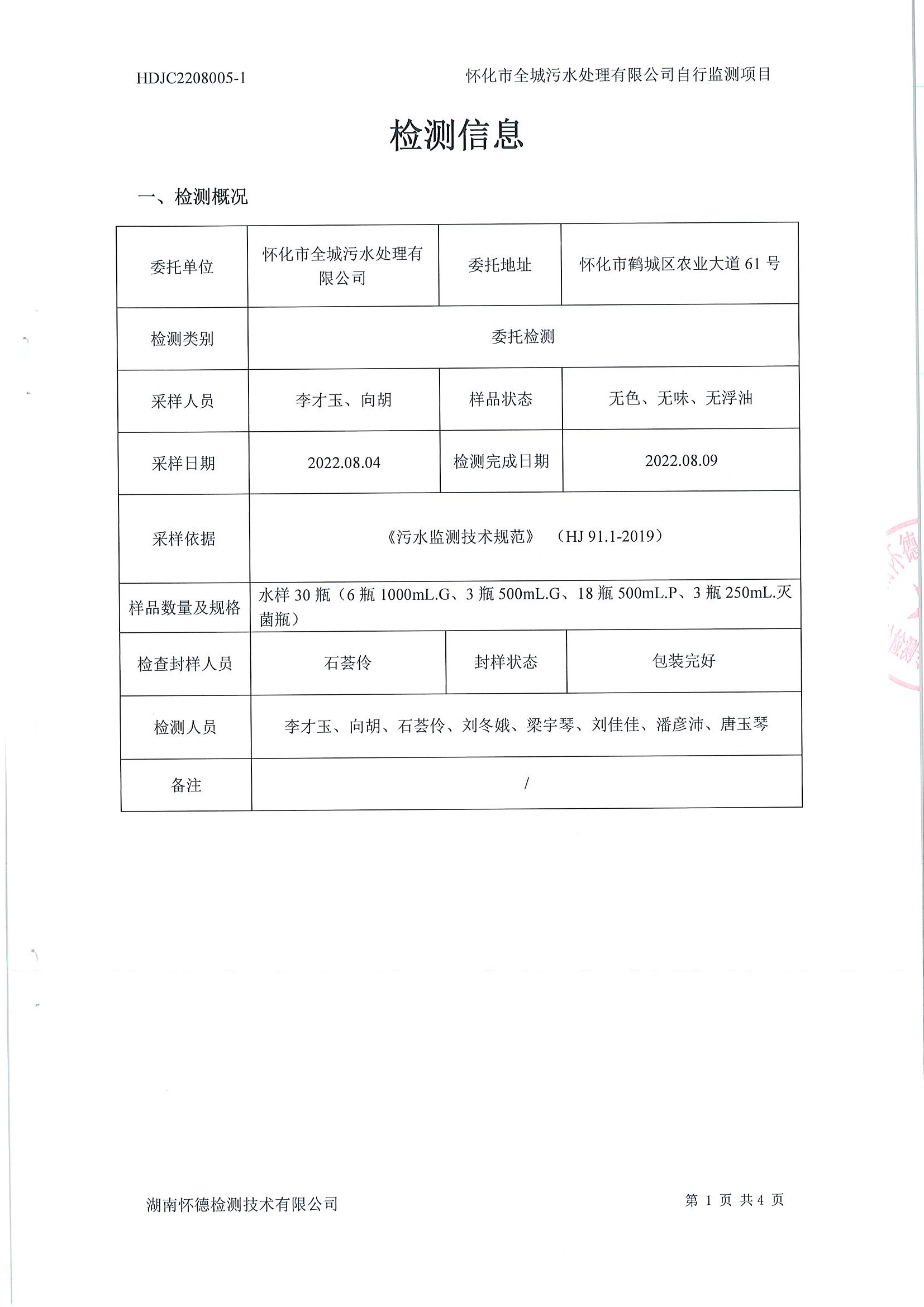
怀德检测 2022年8月 污水检测报告
2022-09-08 17:41:22
上一篇:
湖南怀德检测技术有限公司 2025年10月 出水水质检测报告
下一篇:
怀德检测 2022年7月 污水检测报告
c7网页版
|
完美平台
|
米兰网页版
|
开云官方app下载站
|
开云在线
|
问鼎官方版网站登录入口
|
乐动在线
|
yabocom(中国)官方网站
|
新利·体育(中国)官方网站
|